【导读】于繁杂的电子体系设计中,工程师常常面对一个挑战:怎样为事情电压规模严苛的负载,提供颠簸猛烈的输入电压?例如于工业24V体系中,只管标称电压为24V,现实运行中可能骤升至38V或者跌至15V,远超平凡负载的耐受规模。传统升压或者降压-升压稳压器虽能解决电压转换问题,但于特定工况下仍存于效率瓶颈及电磁滋扰(EMI)挑战。
于繁杂的电子体系设计中,工程师常常面对一个挑战:怎样为事情电压规模严苛的负载,提供颠簸猛烈的输入电压?例如于工业24V体系中,只管标称电压为24V,现实运行中可能骤升至38V或者跌至15V,远超平凡负载的耐受规模。传统升压或者降压-升压稳压器虽能解决电压转换问题,但于特定工况下仍存于效率瓶颈及电磁滋扰(EMI)挑战。
纵贯模式:电源架构的智能优化
纵贯模式是一种立异的电源治理计谋,其焦点思惟是:当输入电压处在负载可安全事情的规模内时,经由过程内部节制逻辑绕过开关转换电路,使输入电源直接为负载供电。
以ADI公司的LT8210降压-升压节制器为例,于纵贯模式下,其H桥架构的两个高端开关连结常开状况,而两个低端开关则彻底封闭。这类配置形成为了从输入到输出的直接通路,理论上可实现靠近100%的能量传输效率。实测数据显示,于此模式下体系的开关损耗险些为零,这对于在电池供电装备象征着显著的续航晋升。

图1. 体系中负载的可答应电压规模小在电源的可能电压规模。
升压转换器中的纵贯技能运用
纵贯模式不仅合用在降压-升压架构,于升压转换器中一样具备主要价值。传统升压稳压器中,当输入电压高在设定输出电压时,能量经由过程电感及反激二极管通报至输出端。然而,二极管的正向压降会致使没必要要的功率损耗。
采用Silent Switcher技能的LT8337升压稳压器经由过程集成纵贯模式解决了这一问题。于纵贯状况下,其高端MOSFET自动开启,替换了二极管的作用,有用降低了导通压降。实测数据显示,这类设计可将相干路径的效率晋升3-5%。同时,该芯片于纵贯模式下会将静态电流降至仅15μA,极年夜降低了体系的待机功耗。

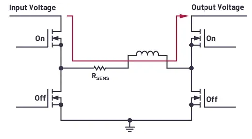
图2. 配有纵贯模式的LT8210降压-升压稳压器,用在于尺度操作中传送电压。
现实运用中的机能上风
于现实工业运用中,配备纵贯模式的电源解决方案揭示出多重上风:
效率晋升:于输入电压合适直接供电的工况下,体系效率可从通例模式的85-95%晋升至99%以上。例如,于12V体系中,当输入电压不变于12V±5%规模内时,纵贯模式可降低约40%的总功率损耗。
EMC机能改善:因为防止了开关操作,电源体系孕育发生的电磁辐射显著降低。测试注解,于纵贯模式下,电路的高频噪声份量可降低10-15dB,极年夜简化了体系EMC设计难度。
热治理优化:消弭了开关损耗象征着电源芯片的温升显著改善。于不异负载前提下,采用纵贯模式的芯片外貌温度可比传统模式低20-30°C。

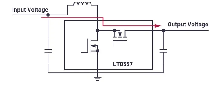
图3. 采用Silent Switcher技能的LT8337升压稳压器,也提供纵贯模式。
工程运用考量
只管纵贯模式上风较着,工程师于设计时仍需留意其特征:于纵贯模式下,输出电压将追随输入电压颠簸,再也不举行切确稳压。是以,必需确保负载可以或许蒙受设定阈值规模内的电压变化。合理设置纵贯模式的启用电压窗口至关主要,这需要切确阐发负载的电压容限及体系的现实工况。
结论
纵贯模式代表了电源治理技能的一次主要演进,它经由过程智能地绕过没必要要的能量转换环节,为宽输入电压体系提供了优化解决方案。跟着LT82十、LT8337等撑持该技能的器件问世,工程师此刻可以或许设计出效率更高、EMI特征更佳、热机能更优的电源体系,尤其是于工业节制、汽车电子及便携装备等对于能效及靠得住性要求严苛的范畴,这项技能正揭示出其怪异的价值。

保举浏览:AI视觉+安全双交融:新一代智能锁从头界说居家守护
意法半导体CEO将重磅表态摩根士丹利TMT年夜会,开释战略旌旗灯号
破解多收发器同步难题:基在MAX2470的高断绝时钟耦合方案
安森美获Aura半导体授权,强化AI数据中央电源生态
采购无忧:贸泽电子备货瑞萨新品,笼罩全系列嵌入式运用
-米兰·(milan)